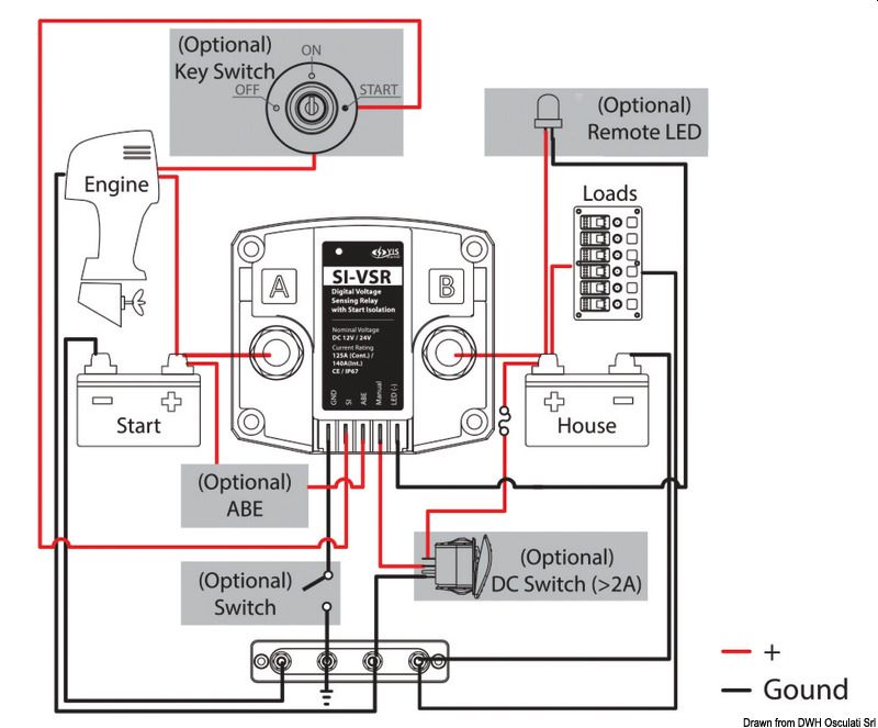
Ermöglicht das gleichzeitige Laden von zwei Batterien.
Bleibt offen, bis die Startbatterie 13,7/27,0 V erreicht.
Dann schließt es den Kontakt und lädt die beiden Batterien gleichzeitig auf.
Wenn die Spannung bei abgestelltem Motor unter 12,8/25,5 V fällt, öffnet es den Kontakt und trennt die beiden Batterien, so dass nicht die falsche Batterie entladen wird.
Schützt die Starterbatterie vor der Entladung durch Bordnetzdienste. Kein Spannungsabfall.
Stromaufnahme im Stand-by 0,5 m/A. LED-Anzeige aktives VSR und automatische 12/24 V-Umschaltung.
Funktionen:
- Starter-Trennung: Erzwingt eine vorübergehende Trennung während des Motorstarts, um die Bordelektronik zu schützen.(*)
- ABE: Wenn der Motor im Leerlauf läuft, werden beide Batterien zusätzlich aufgeladen, dazu wird die Abschaltschwelle auf 12,2/24,5 V anstelle von 12,8/25,5 V gesenkt (*).
- Speichermodus: reduziert den Stromverbrauch im Stillstand auf 0.(*)
- Kann von Hand ein- und ausgeschaltet werden.
- Die vorne liegenden Kontakte (10 mm) erleichtern die Installation + durchsichtige Schutzabdeckung.
(*Diese Funktionen sind OPTIONAL, sie können nur auf Wunsch aktiviert werden).
-
Spannung: 12/24 V
-
A (kontinuierlich): 125 A
-
A (intermittierend): 140 A
-
Beschreibung: Spannungsempfindliches Relais