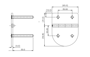
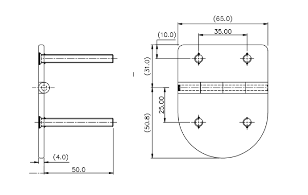
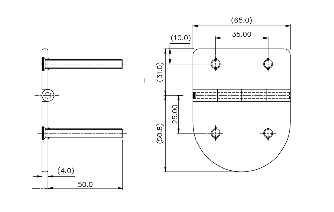
Aus verchromtem hochglanzpoliertem Edelstahl AISI 316, Mikroguss, sehr robust, 4 mm dick. Erhältlich in der Standard Version:
"A", Standard, mit einer Öffnung von 180°; "B" mit einer Öffnung von 95°, umgekehrter Knoten und vollkommen glatte Oberfläche.
83 x 65 mm